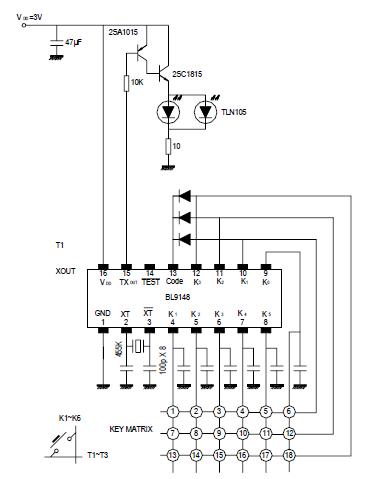
Product Summary
The BL9148 is a general infrared ray remote control transmitter. The circuit has 10 functions ombining with BL9149 while it has 18 functions combining with BL9150. And total 75 commands can be transmitted: 63 commands by continuous keys, as multiple keying is possible, and 12 commands by single-shot keys. The applications of the BL9148 include Use as remote control transmitters in audios, air conditioners, toys and others.
Parametrics
BL9148 absolute maximum rating: VDD: 2.2 to 5.5V.
Features
BL9148 features: (1)Wide range of operating supply voltage (VDD=2.2 to 5.5V); (2)CMOS structure assures extremely low power dissipation; (3)Multiple Keying is possible.; (4)Less external parts; (5)Adaptable to other models as code bits are available.; (6)An oscillator can be constructed only by connecting an LC or ceramic resonator.
Diagrams

| Image | Part No | Mfg | Description | ![]() |
Pricing (USD) |
Quantity | ||||
|---|---|---|---|---|---|---|---|---|---|---|
![]() |
![]() BL9148 |
![]() Other |
![]() |
![]() Data Sheet |
![]() Negotiable |
|
||||
| Image | Part No | Mfg | Description | ![]() |
Pricing (USD) |
Quantity | ||||
![]() |
![]() BL9148 |
![]() Other |
![]() |
![]() Data Sheet |
![]() Negotiable |
|
||||
![]() |
![]() BL914-CV-T-6E |
![]() Honeywell |
![]() Basic / Snap Action / Limit Switches Limit Switch F Enclosures |
![]() Data Sheet |
![]() Negotiable |
|
||||
(China (Mainland))









