Product Summary
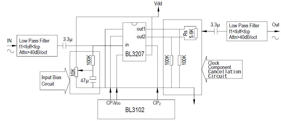
The BL3207 is a 1024-stage low voltage operation, and low noise BBD variable delay line in audio frequency range. The device operates on +5V to +10V supply and provides a signal delay up to 51.2ms. The applications of the BL3207 include KARAOKE, TV, VCR. Radio-Cassette Tape Recorder etc.
Parametrics
BL3207 absolute maximum ratings: (1)Wide supply voltage range: 4V to 10V; (2)Clock frequency range: 10kHz to 200kHz.
Features
BL3207 features: (1)Adjustable audio signal delay time range: 2.56ms-51.2ms; (2)Wide supply voltage range: 4V-10V; (3)Typical insertion loss: Li=0dB; (4)Wide dynamic range: S/N=73dB(type); (5)Low distortion: THD=0.4%(type); (6)Clock frequency range: 10kHz-200kHz; (7)N-channel silicon gate process; (8)8-pin plastic DIP.
Diagrams

(China (Mainland))






