Product Summary
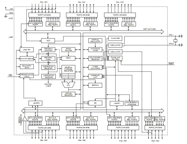
The ATMEGA64-8AU is a low-power CMOS 8-bit microcontroller based on the AVR enhanced RISC architecture. By executing powerful instructions in a single clock cycle, the device achieves throughputs approaching 1 MIPS per MHz, allowing the system designer to optimize power consumption versus processing speed. The ATMEGA64-8AU is manufactured using Atmel’s high-density non-volatile memory technology.
Parametrics
ATMEGA64-8AU absolute maximum ratings: (1)Operating Temperature: -55℃ to +125℃; (2)Storage Temperature: -65℃ to +150℃; (3)Voltage on any Pin except RESET with respect to Ground: -0.5V to VCC+0.5V; (4)Voltage on RESET with respect to Ground: -0.5V to +13.0V; (5)Maximum Operating Voltage: 6.0V; (6)DC Current per I/O Pin: 40.0 mA; (7)DC Current VCC and GND Pins: 200.0 to 400.0mA.
Features
ATMEGA64-8AU features: (1)130 Powerful Instructions-Most Single Clock Cycle Execution; (2)32 x 8 General Purpose Working Registers + Peripheral Control Registers; (3)Fully Static Operation; (4)Up to 16 MIPS Throughput at 16 MHz; (5)On-chip 2-cycle Multiplier; (6)64K Bytes of In-System Reprogrammable Flash program memory; (7)2K Bytes EEPROM; (8)4K Bytes Internal SRAM; (9)Write/Erase Cycles: 10,000 Flash/100,000 EEPROM; (10)Data retention: 20 years at 85℃/100 years at 25℃; (11)Up to 64K Bytes Optional External Memory Space; (12)Programming Lock for Software Security; (13)SPI Interface for In-System Programming; (14)Boundary-scan Capabilities According to the JTAG Standard; (15)Extensive On-chip Debug Support; (16)Programming of Flash, EEPROM, Fuses, and Lock Bits through the JTAG Interface; (17)Two 8-bit Timer/Counters with Separate Prescalers and Compare Modes; (18)Two Expanded 16-bit Timer/Counters with Separate Prescaler, Compare Mode, and Capture Mode; (19)Real Time Counter with Separate Oscillator; (20)Two 8-bit PWM Channels; (21)6 PWM Channels with Programmable Resolution from 1 to 16 Bits; (22)8-channel, 10-bit ADC; (23)Byte-oriented Two-wire Serial Interface; (24)Dual Programmable Serial USARTs; (25)Master/Slave SPI Serial Interface; (26)Programmable Watchdog Timer with On-chip Oscillator; (27)On-chip Analog Comparator.
Diagrams

![]() |
![]() ATMEG163POD |
![]() |
![]() IC AVR MCU ICE30 40PIN MEGAAVR |
![]() Data Sheet |
![]() Negotiable |
|
||||
![]() |
![]() ATmega103 |
![]() Other |
![]() |
![]() Data Sheet |
![]() Negotiable |
|
||||
![]() |
![]() ATMEGA103-6AC |
![]() Atmel |
![]() 8-bit Microcontrollers (MCU) TQFP-64 128K FLASH 5 |
![]() Data Sheet |
![]() Negotiable |
|
||||
![]() |
![]() ATMEGA103-6AI |
![]() |
![]() IC MCU 128K 6MHZ A/D IT 64TQFP |
![]() Data Sheet |
![]() Negotiable |
|
||||
![]() |
![]() ATMEGA103-6AU |
![]() Other |
![]() |
![]() Data Sheet |
![]() Negotiable |
|
||||
![]() |
![]() ATmega103L |
![]() Other |
![]() |
![]() Data Sheet |
![]() Negotiable |
|
||||
(China (Mainland))










